Products Categories
-
Marine and Offshore
- Marine Deck Machinery
- Marine Mooring Equipment
- Marine Anchoring Equipment
- Pushing & Towing Equipment
- Marine Outfitting Equipment
- Marine Life-Saving Equipment
- Marine Power and Propulsion
- Marine Auxiliary Equipment
- Marine HVAC System
- Marine Pumps
- Marine Valves
- Marine Electrical Equipment
- Marine Decorations
- Marine Hardware
- Offshore & Engineering Products
- Fishing and Diving
- Yacht Accessories
- Industry Products
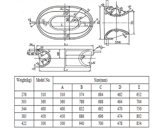
Panama Chock
- Material: Cast Steel ZG200-400,ZG230-450,Cast Iron or other request.
- ABS,CCS,BV,DNV,LR,GL,Mill certificate etc. available.
- Paint: Grey Epoxy Primer, Black Bitumen Paint or other options.
- Packing: Iron shelf or as per your request.
- Delivery Time: 15 to 25 days. We can advance it if you need it urgent.
Share this:
Panama Chock---Type AC AP BC BP:







We can manufacture marine chocks in a wide variety of sizes, standards and types, also can customized the chock according to your drawing. As a reliable marine equipment supplier, we have our own casting factory, ensure our product have reliable quality with competitive price.
King-Sea Marine offer roller chock and mooring chock. Based CB/T38-1999 standard, our cast roller chock has two rollers type and three rollers type. Mooring chock products mainly include: Panama chock (AC), Panama chock (BC), U.S panama chock, DIN81915 Mooring chock, JIS F 2005-1975 Closed mooring chock, JIS F 2007-1976 Mooring chock, Spain chock, JIS F 2030-1987 Single point mooring chock, EU mooring chock etc.
Main products of marine chocks:
1. Roller Chock
Three Roller Chock
Double Roller Chock
2. Mooring Chock
Open Chock JIS F-2006 Type FC, SC
Bulwark Mounted Mooring Chock JIS F-2007-1976 Type A
Bulwark Mounted Mooring Chock JIS F-2007-1976 Type B
Panama Chock---Bulwark Mounted Chock EU Type
Panama Chock---Bulwark Mounted Chock DIN81915-1998 Type A
Panama Chock---Bulwark Mounted Chock JIS F-2017-1982 Type BC

Panama Chock---Deck Mounted Chock JIS F-2005-1975(Mooring Closed Chock)
Panama Chock---Deck Mounted Chock JIS F-2017-1982 Type AC
Panama Chock---Deck Mounted Chock DIN81915-1998 Type C
Panama Chock---Deck Mounted Chock EU Type
Deck Mounted Chock NS2587
Deck Mounted Chock NS2588
Deck Mounted Chock NS2589
Deck Mounted Chock NS2590

Single Point Mooring Pipe JIS F 2030-1978 Type A
Single Point Mooring Pipe JIS F 2030-1978 Type B
CB34-76 C Type Mooring Chock
CB34-76 A Type Mooring Chock







We can manufacture marine chocks in a wide variety of sizes, standards and types, also can customized the chock according to your drawing. As a reliable marine equipment supplier, we have our own casting factory, ensure our product have reliable quality with competitive price.
King-Sea Marine offer roller chock and mooring chock. Based CB/T38-1999 standard, our cast roller chock has two rollers type and three rollers type. Mooring chock products mainly include: Panama chock (AC), Panama chock (BC), U.S panama chock, DIN81915 Mooring chock, JIS F 2005-1975 Closed mooring chock, JIS F 2007-1976 Mooring chock, Spain chock, JIS F 2030-1987 Single point mooring chock, EU mooring chock etc.
Main products of marine chocks:
1. Roller Chock
Three Roller Chock
Double Roller Chock
2. Mooring Chock
Open Chock JIS F-2006 Type FC, SC
Bulwark Mounted Mooring Chock JIS F-2007-1976 Type A
Bulwark Mounted Mooring Chock JIS F-2007-1976 Type B
Panama Chock---Bulwark Mounted Chock EU Type
Panama Chock---Bulwark Mounted Chock DIN81915-1998 Type A
Panama Chock---Bulwark Mounted Chock JIS F-2017-1982 Type BC

Panama Chock---Deck Mounted Chock JIS F-2005-1975(Mooring Closed Chock)
Panama Chock---Deck Mounted Chock JIS F-2017-1982 Type AC
Panama Chock---Deck Mounted Chock DIN81915-1998 Type C
Panama Chock---Deck Mounted Chock EU Type
Deck Mounted Chock NS2587
Deck Mounted Chock NS2588
Deck Mounted Chock NS2589
Deck Mounted Chock NS2590

Single Point Mooring Pipe JIS F 2030-1978 Type A
Single Point Mooring Pipe JIS F 2030-1978 Type B
CB34-76 C Type Mooring Chock
CB34-76 A Type Mooring Chock




